主板I/O与芯片
技嘉B860M AORUS ELITE WIFI6E ICE冰雕预装了一体化挡板,不过仅有底部与PCB进行了螺丝固定,上方为卡扣连接,因此会有些松垮。
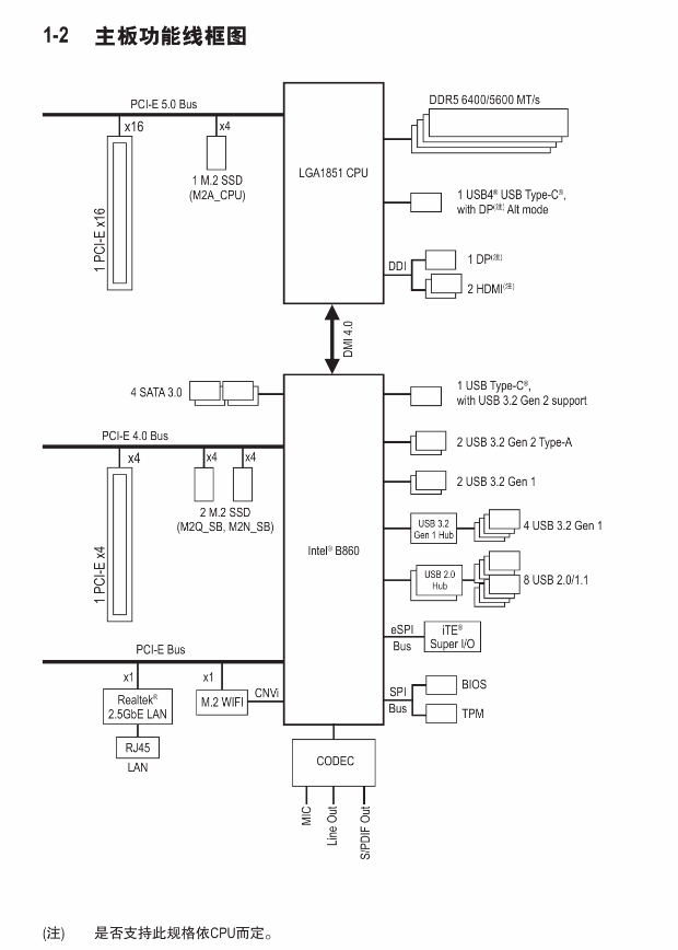
接口为1个HDMI 2.1 TMDS(4096x2160@60Hz)接口、1个DisplayPort(3840x2160@144Hz)接口、1个RJ45 2.5Gbps接口、2个USB-A 10Gbps接口、4个USB-A 5Gbps接口、4个USB-A 480Mbps接口、1个USB-C 40Gbps(USB4,DP Alt Mode,3840x2160@144Hz)接口,1个3.5mm麦克风接口、1个3.5mm音频输出接口、1个S/PDIF光纤音频接口。
其中2个USB-A 10Gbps接口为芯片组直出,其余4个USB-A 480Mbps接口以及4个USB-A 5Gbps接口均由HUB芯片扩展而来。
声卡芯片为瑞昱ALC897,配有4枚鈺邦科技100μF 10V音频电容。
有线网卡芯片为最常见的RTL8125D,速率为2.5Gbps,并未采用Intel的I225-V或者I226-V,是明智之举。
无线网卡芯片为上一代旗舰级WiFi 6E芯片——Intel AX211,即AX210的CNVio版本,2x2,160MHz,支持蓝牙5.3,对于99%的玩家来说已经非常够用了。
主板内建的HDMI接口以及尾部的HDMI接口均由祥硕科技ASM1442K芯片转换而来。

BIOS芯片——旺宏电子MX25L25673GZ4l-08G(容量为256Mbit即32MB)
当丝歌黑丝配上内裤真丝?获得原味美足的囧图
成人MOD作者被玩家吓坏:怎么有这么多人玩?
6916元礼包惊喜价出售!《暗黑4》国服回归福利炸裂
《鸣潮》新角色介绍:透明肉腿像果冻 忍不住想啃一口!
一份实体版游戏卖出近30万天价:只有一张盘
美国女星撞脸《2077》帕南? 大方cos玩游戏!